Метчик машинно-ручной М39 х 3,0 чистовой 2621-2099 Р6М5

Метчик машинно-ручной М39 х 3,0 чистовой 2621-2099 Р6М5
  • Метчик машинно-ручной М39 х 3,0 чистовой 2621-2099 Р6М5
  • Метчик машинно-ручной М39 х 3,0 чистовой 2621-2099 Р6М5

Характеристики

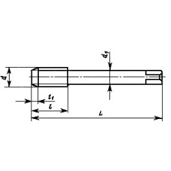
D1 28
L 60
170
Заборная часть чистового метчика l1 6
Инструментальная быстрорежущая сталь Р6М5
Номинальный диаметр резьбы d 39
Обозначение по ГОСТ 3266-81 2621-2099
Тип метчика комплектный чистовой №2
Шаг резьбы P (мелкий) 3
Цена по запросу
Сравнить
В наличии
Гарантия низкой цены

Мы анализируем рынок и гарантируем индивидуальный подход к каждому клиенту

Адаптация к условиям рынка

Постоянно следим за новыми технологиями и разработками в области автоматизации производства

Работаем по всей России

География нашей деятельности охватывает всю Россию, с нами удобным и выгодно

Метчик машинно-ручной М39 х 3,0 чистовой 2621-2099 Р6М5
Производитель оставляет за собой право вносить изменения в конструкцию, дизайн и комплектацию изделия без предварительного уведомления. Указанная информация не является публичной офертой.