Метчик машинно-ручной М36 х 1,5 чистовой 2621-2041 Р6М5

Метчик машинно-ручной М36 х 1,5 чистовой 2621-2041 Р6М5
  • Метчик машинно-ручной М36 х 1,5 чистовой 2621-2041 Р6М5
  • Метчик машинно-ручной М36 х 1,5 чистовой 2621-2041 Р6М5

Характеристики

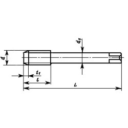
D1 25
L 39
144
Заборная часть чистового метчика l1 3
Инструментальная быстрорежущая сталь Р6М5
Номинальный диаметр резьбы d 36
Обозначение по ГОСТ 3266-81 2621-2041
Тип метчика комплектный чистовой №2
Шаг резьбы P (мелкий) 1,5
Цена по запросу
Сравнить
В наличии
Гарантия низкой цены

Мы анализируем рынок и гарантируем индивидуальный подход к каждому клиенту

Адаптация к условиям рынка

Постоянно следим за новыми технологиями и разработками в области автоматизации производства

Работаем по всей России

География нашей деятельности охватывает всю Россию, с нами удобным и выгодно

Метчик машинно-ручной М36 х 1,5 чистовой 2621-2041 Р6М5
Производитель оставляет за собой право вносить изменения в конструкцию, дизайн и комплектацию изделия без предварительного уведомления. Указанная информация не является публичной офертой.