

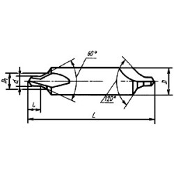
Характеристики
D |
6,3 20 |
D1 | 13,2 |
L номин. |
9,2 83 |
Пред. откл. L |
-1,2 -6 |
Мы анализируем рынок и гарантируем индивидуальный подход к каждому клиенту
Постоянно следим за новыми технологиями и разработками в области автоматизации производства
География нашей деятельности охватывает всю Россию, с нами удобным и выгодно