

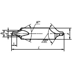
Характеристики
D |
2,5 10 |
D1 | 5,3 |
L номин. |
4,1 59 |
Пред. откл. L |
-1 -6 |
Мы анализируем рынок и гарантируем индивидуальный подход к каждому клиенту
Постоянно следим за новыми технологиями и разработками в области автоматизации производства
География нашей деятельности охватывает всю Россию, с нами удобным и выгодно